通过了ISO9001质量管理体系认证和CE产品安全认证,I类及II类防爆产品认证,并拥有多项科技成果
拥有高精度CNC数控机群、全自动绕线机、机器人铜焊机、PLC控制的自动BMC塑料封装机、电磁铁静动态特性智能测试系统、磁芯管耐油压试验台、磁芯管脉冲疲劳试验台等各种现代化的加工制造设备和检测仪器
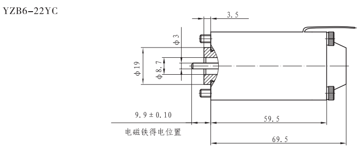
本电磁铁适用于直流电压至220V的控制电路中,作为六通径螺钉联结的电磁阀的动力元件,应用于高温高湿的油液环境和设备上。
| 型号 | 额定电压(V) | 额定吸力(N) | 额定行程(mm) | 全行程(mm) | 消耗功率(W) | 操作频率(T/h) | 线圈内孔直径(mm) |
|---|---|---|---|---|---|---|---|
| YZZ6-22YC |
110 |
≥22 |
2.8 |
3.6±0.2 |
≤30 |
≤12000 |
φ16 |
