通过了ISO9001质量管理体系认证和CE产品安全认证,I类及II类防爆产品认证,并拥有多项科技成果
拥有高精度CNC数控机群、全自动绕线机、机器人铜焊机、PLC控制的自动BMC塑料封装机、电磁铁静动态特性智能测试系统、磁芯管耐油压试验台、磁芯管脉冲疲劳试验台等各种现代化的加工制造设备和检测仪器
本系列产品在直流电液比例控制系统中与比例放大器配套共同应用于比例溢流阀或比例方向阀。通过输入电流在额定范围内的无级调节,可实现液压系统的无级调节和远距离控制。
| 型号 | 额定电流(A) | 常态电阻(Ω) | 额定吸力(N) | 额定行程(mm) | 全行程(mm) | 力滞环(%) | 电流滞环(%) | 重复精度(%) | 承受静态油压(MPa) | 耐热等级 |
|---|---|---|---|---|---|---|---|---|---|---|
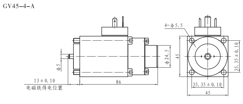
| GV45-4-A |
0.8 |
19.5 |
90 |
1.7 |
1.7 |
≤4 |
≤3 |
≤1 |
21 |
H |
| GV45A4-A |
0.8 |
19.5 |
90 |
1.7 |
1.7 |
≤4 |
≤3 |
≤1 |
21 |
H |
| GP45-4-A |
0.8 |
19.5 |
80 |
3 |
6 |
≤4 |
≤2 |
≤1 |
21 |
F |
