通过了ISO9001质量管理体系认证和CE产品安全认证,I类及II类防爆产品认证,并拥有多项科技成果
拥有高精度CNC数控机群、全自动绕线机、机器人铜焊机、PLC控制的自动BMC塑料封装机、电磁铁静动态特性智能测试系统、磁芯管耐油压试验台、磁芯管脉冲疲劳试验台等各种现代化的加工制造设备和检测仪器
本产品为气动电磁铁,通过电磁输入电流的大小控制系统的流量或压力,从而实现系统执行机构在额定工作范围内的远距离调控。
| 型号 | 额定电流(A) | 常态电阻(Ω) | 消耗功率(W) | 额定吸力(N) | 额定行程(mm) | 力滞环(%) | 电流滞环(%) | 重复精度(%) | 外壳防护等级 |
|---|---|---|---|---|---|---|---|---|---|
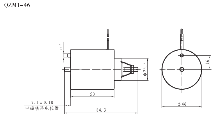
| QZM1-46 |
0.52 |
20.8 |
≤9 |
56 |
1.5 |
≤3 |
≤3 |
≤1 |
IP65 |
