DTBZ12-37FYC(RA)隔爆型比例阀用电磁铁

本系列电磁铁是隔爆型液压阀用电磁铁,可配套力士乐型六通、十通比例电磁阀,作为防爆比例电磁阀的动力元件使用。

源头厂家
交期稳定
安全节能
售后保障
DTBZ12-37FYC(RA)隔爆型比例阀用电磁铁
主要技术参数

型号 使用环境 额定电压(V) 额定吸力(N) 防护等级 额定行程(mm) 全行程(mm) 承受静态油压(MPa)
DTBZ12-37FYC(RA) Ex db Ⅰ Mb
Ex db Ⅱ C T4 Gb
Ex tb Ⅲ C T130℃ Db
DC12/24/110
AC36/127/220
70
IP65
2.8
≥6
21
DTBZ12-37FYC(BL) Ex db Ⅰ Mb
Ex db Ⅱ C T4 Gb
Ex tb Ⅲ C T130℃ Db
DC12/24/110
AC36/127/220
65
IP65
2.8
≥3.2
21
DTBZ12-90FYC(BL) Ex db Ⅰ Mb
Ex db Ⅱ C T4 Gb
Ex tb Ⅲ C T130℃ Db
DC12/24/110
AC36/127/220
170
IP65
4
≥9
21

行程 — 力特性曲线
DTBZ12-37FYC(RA)隔爆型比例阀用电磁铁
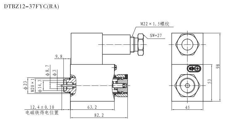
外形及安装尺寸
DTBZ12-37FYC(RA)隔爆型比例阀用电磁铁
安阳市j9.com电磁铁制造有限公司
成立于
1998
集研发、生产、销售为一体的液压阀用电磁铁制造商
安阳市j9.com电磁铁制造有限公司
通过了ISO9001质量管理体系认证和CE产品安全认证,I类及II类防爆产品认证,并拥有多项科技成果
拥有高精度CNC数控机群、全自动绕线机、机器人铜焊机、PLC控制的自动BMC塑料封装机、电磁铁静动态特性智能测试系统、磁芯管耐油压试验台、磁芯管脉冲疲劳试验台等各种现代化的加工制造设备和检测仪器
产品应用于多种行业领域
广泛应用于塑料机械、农业机械、工程机械、冶金机械、数控机床、矿山化工、汽车、军工、航空航天、水利、邮电等多领域的自动化控制设备中
相关产品推荐
换一批