通过了ISO9001质量管理体系认证和CE产品安全认证,I类及II类防爆产品认证,并拥有多项科技成果
拥有高精度CNC数控机群、全自动绕线机、机器人铜焊机、PLC控制的自动BMC塑料封装机、电磁铁静动态特性智能测试系统、磁芯管耐油压试验台、磁芯管脉冲疲劳试验台等各种现代化的加工制造设备和检测仪器
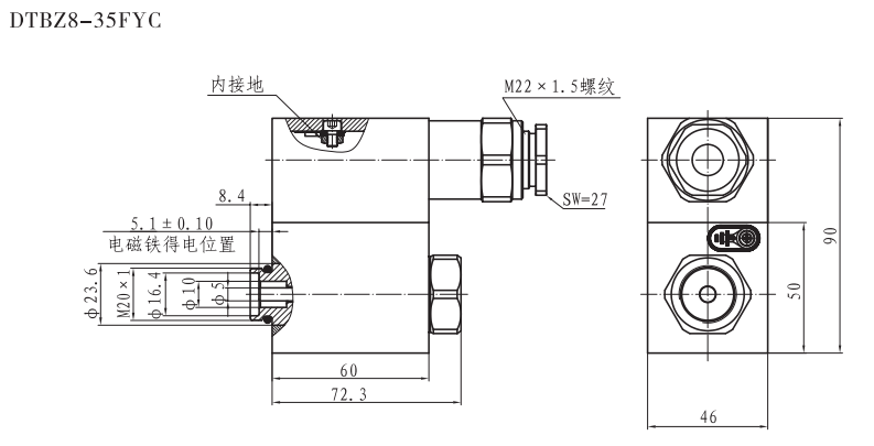
本系列电磁铁是隔爆型液压阀用电磁铁,可配套六通、十通换向阀,作为电磁换向阀的动力元件使用。Ex db Ⅰ Mb为矿用隔爆型阀用电磁铁,Ex db Ⅱ C T4 Gb隔爆型阀用电磁铁用于石油、化工等行业,Ex tb Ⅲ C T130℃ Db隔爆型阀用电磁铁适用于粉尘场合。
| 型号 | 使用环境 | 额定电压(V) | 额定吸力(N) | 防护等级 | 额定行程(mm) | 全行程(mm) | 承受静态油压(MPa) |
|---|---|---|---|---|---|---|---|
| DTBZ8-35FYC |
Ex db Ⅰ Mb Ex db Ⅱ C T4 Gb |
DC12/24 AC110/127/220 |
35 |
IP65 |
3.4 |
>7 |
21 |
| DTBZ8-90FYC |
Ex db Ⅰ Mb Ex db Ⅱ C T4 Gb |
DC12/24 AC110/127/220 |
90 |
IP65 |
4.5 |
≥9 |
21 |
