通过了ISO9001质量管理体系认证和CE产品安全认证,I类及II类防爆产品认证,并拥有多项科技成果
拥有高精度CNC数控机群、全自动绕线机、机器人铜焊机、PLC控制的自动BMC塑料封装机、电磁铁静动态特性智能测试系统、磁芯管耐油压试验台、磁芯管脉冲疲劳试验台等各种现代化的加工制造设备和检测仪器
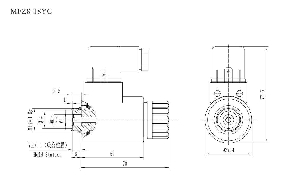
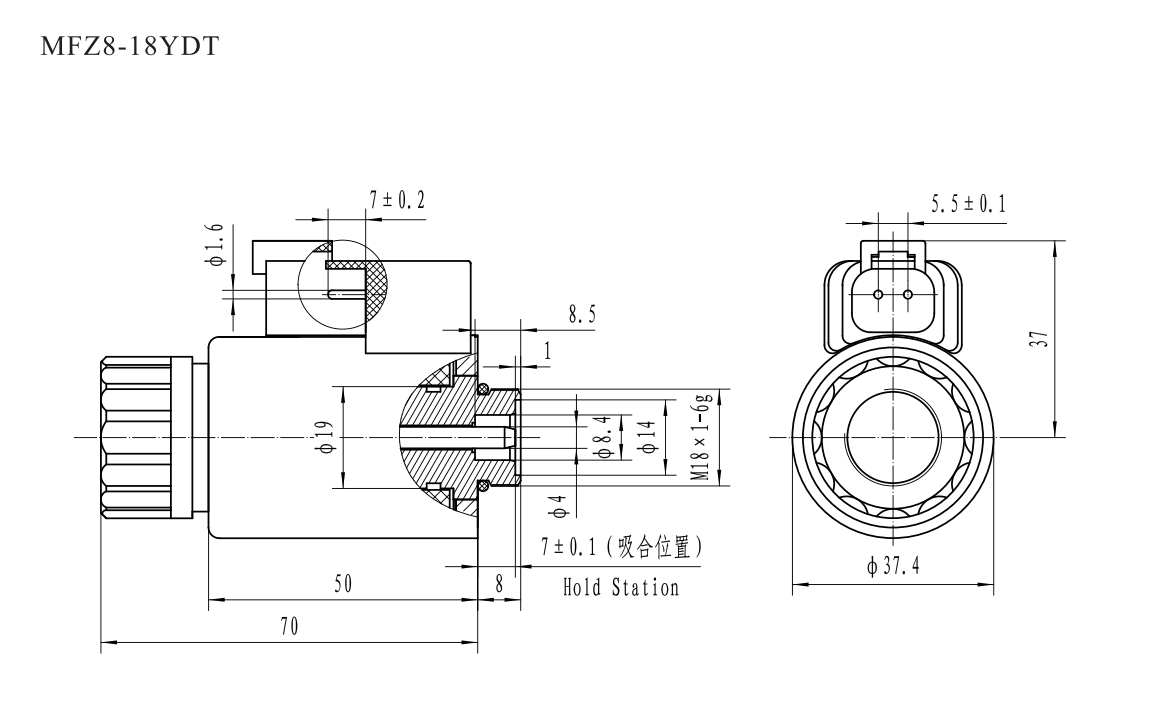
本电磁铁作为液压电磁换向阀的动力元件,主要应用于紧凑型多路阀上可配套使用于工程机械车辆上。
| 型号 | 额定电压(V) | 额定吸力(N) | 额定行程(mm) | 全行程(mm) | 消耗功率(W) | 承受静态油压(MPa) | 操作频率(T/h) | 线圈内孔直径(mm) |
|---|---|---|---|---|---|---|---|---|
| MFZ8-18YC |
12/24 |
18 |
2.8 |
≥6 |
≤26 |
19 |
12000 |
φ19 |
| MFZ8-18YDT |
12/24 |
18 |
2.8 |
≥6 |
≤26 |
19 |
12000 |
φ19 |
