GP45-RAE(4WRAE阀)螺纹比例阀用电磁铁

本系列产品配套比例放大器用于控制六通径螺纹比例阀。通过输入电流在额定范围内的无级调节,可实现液压系统执行机构在额定范围内的无级调速和远距离控制。

源头厂家
交期稳定
安全节能
售后保障
GP45-RAE(4WRAE阀)螺纹比例阀用电磁铁
主要技术参数

型号 额定电流(A) 常态电阻(Ω) 额定吸力(N) 额定行程(mm) 全行程(mm) 力滞环(%) 电流滞环(%) 重复精度(%) 承受静态油压(MPa) 工作油温(℃) 外壳防护等级 电源连接方式 适配阀的型号 适配放大板的型号
GP45-RAE 2.5
2
60
2.8
≥6
≤4
≤3
≤1
21
-20~+70
IP65
接线盒式TERMINAL BOX
力士乐型/华德型4WRA6...-2X/G24阀
内置放大板
GP45-RA 2.5
2
60
2.8
≥6
≤4
≤3
≤1
21
-20~+70
IP65
插头式DIN
力士乐型/华德型4WRA6...-2X/G24阀
外置VT-VSPA2-1-1X
GP45-TR 1.25
19.5
70
2.8
≥6
≤5
≤4
≤1
21
-20~+70
IP67
安普式AMP
力士乐型/华德型4WRA6...-2X/G24阀
内置放大板
GP45-S-A 1.8
3.6
60
2.8
≥5.7
≤5
≤4
≤1
21
-20~+70
IP67
德驰式DT
-
-

行程 — 力特性曲线
GP45-RAE(4WRAE阀)螺纹比例阀用电磁铁
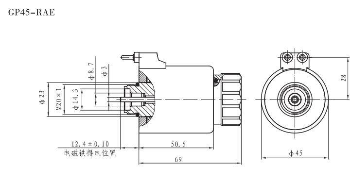
外形及安装尺寸
GP45-RAE(4WRAE阀)螺纹比例阀用电磁铁
安阳市j9.com电磁铁制造有限公司
成立于
1998
集研发、生产、销售为一体的液压阀用电磁铁制造商
安阳市j9.com电磁铁制造有限公司
通过了ISO9001质量管理体系认证和CE产品安全认证,I类及II类防爆产品认证,并拥有多项科技成果
拥有高精度CNC数控机群、全自动绕线机、机器人铜焊机、PLC控制的自动BMC塑料封装机、电磁铁静动态特性智能测试系统、磁芯管耐油压试验台、磁芯管脉冲疲劳试验台等各种现代化的加工制造设备和检测仪器
产品应用于多种行业领域
广泛应用于塑料机械、农业机械、工程机械、冶金机械、数控机床、矿山化工、汽车、军工、航空航天、水利、邮电等多领域的自动化控制设备中
相关产品推荐
换一批